FICHE ARTICLE - CODE 850000
MENU
NOS PRODUITS NOS GAMMES NOS UNIVERS MON COMPTE PANIER S.A.V GUIDE DE CHOIX
NETTOYEUR
GUIDE DE CHOIX
CEDREY

EN DIRECT
97,7%
TAUX DE PRODUIT A
EN STOCK
Photo non contractuelle

MALAXEUR 6 POLES 2,2KW

TABLEAU TECHNIQUE
Poids :58,50 kgAmpérage :5 A
Puissance :2,20 kWTour/min :940
Modèle :TBM Débit :876 m3/h
Nombre de pales :3
TABLEAU TECHNIQUE
Poids :58,50 kg
Ampérage :5 A
Puissance :2,20 kW
Tour/min :940
Modèle :TBM
Débit :876 m3/h
Nombre de pales :3

EN SAVOIR DAVANTAGE

Description technique :


A quoi ça sert ?
Le malaxeur permet d'homogénéiser le lisier avant son transfert.
Il évite le dépôt au fond de la fosse et vous permet de garder un volume utile plus important.
Un lisier plus homogène permettra aussi de rallonger la durée de vie de votre pompe.

Avantages :
- Robuste : corps en fonte, hélice en acier inoxydable, réducteur planétaire, faible vitesse de rotation des pâles
- S'adapte à des fosses de grandes profondeurs : immersion possible jusqu'à 20 mètres
- Supporte des lisiers chauds jusqu'à 40°C
- Protection du moteur grâce à sa sonde thermique (arrêt de sécurité avant surchauffe)
- Pâles autonettoyantes

Informations complémentaires :


Caractéristiques techniques :
- Malaxeur en fonte type TBM
- Rotation des pâles = 940 tr/min
- Profondeur d’immersion maximum de 20 mètres
- Démarrage direct
- Puissance 2,2 kW
- Ampérage moteur : 5,9 A 
- Stator 6N

Construction :
- Corps en fonte
- Hélice et 3 pâles en acier inoxydable
- Garniture mécanique en laiton
- Réducteur planétaire avec roue dentée, trempée et rectifiée
- Sonde thermique
- Equipé de 10 mètres de câble

Moteur :
- Moteur équipé d'un rotor à cage d'écureuil
- Protection moteur IP68

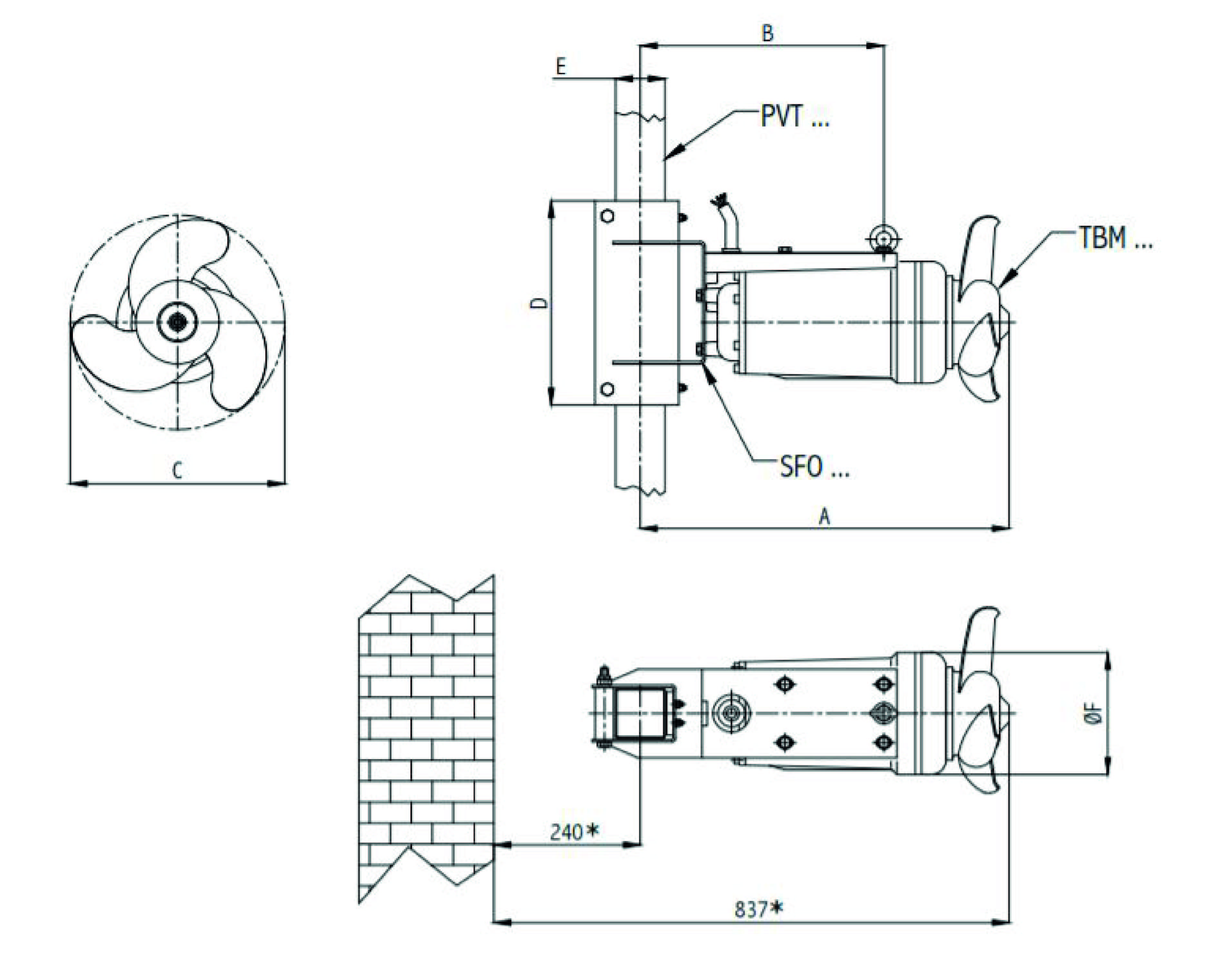
A = Longueur axe potence / hélice : 595
B = Axe potence / anneau de levage : 395
C = Diamètre de l'hélice : 347
D = Hauteur de support : 330
E = Diamètre de la potence : 80*80
F = Diamètre du malaxeur : 197
G = Longueur axe potence / mur : 240
H = Longueur mur / avant de l'hélice : 1050

DOCUMENTS RELATIFS AU PRODUIT
Ici, retrouvez l'ensemble des documents relatifs à votre produit.
1 - Je choisis le document souhaité en cliquant sur ▼
2 - Je clique sur le bouton "Télécharger" pour obtenir le document
Télécharger

VUES ÉCLATÉES

VUES ECLATEES DU PRODUIT.




REPERE CODE DESIGNATION QTE /
MACHINE
DISPONIBILITE
01 484147 PRESSE ETOUPE POUR MALAXEUR 1
EN STOCK
02 320232 METRE DE CABLE ELECTRIQUE POUR PTS ET TBM 2,2-3-4 KW 10
EN STOCK
03 817505 TERMINAL OCCULAIRE 1,5-2,5 D6,4 PINCE DE CÂBLE À OEIL 1
SUR COMMANDE
06 320286 BORNIER 1
SUR COMMANDE
07 320229 CIRCLIP EXTÉRIEUR Ø30x1,5 C70 DIN471 1
EN STOCK
08 320309 ROTOR TRIPHASE POUR PPE 850000 1
SUR COMMANDE
09 345064 JOINT O-RING POUR MALXEUR 4/4 N°9 1
EN STOCK
11 320300 PALIERT DE SUPPORT 1
SUR COMMANDE
12 320222 JOINT O-RING INF MOTEUR TBM ET PTS 2,2 3 4 KW 1
EN STOCK
14 159393 BAGUE DE TENUE D.100x120x12 2
EN STOCK
15 320260 CLAVETTE 1
SUR COMMANDE
16 106078 JOINT O-RING DE MALAXEUR 4KW POUR HELICE REP:32 1
EN STOCK
17 320302 VIS CHC M12x1,75x30 A2 DIN912 1
SUR COMMANDE
20 320310 HELICE POUR MALAXEUR 2,2KW 6 POLES 1
SUR COMMANDE
21 320304 VIS M 10 X 10 CHC 2
EN STOCK
22 320305 GARNITURE MECANIQUE DE TBM 1,5 2,2/6 1
SUR COMMANDE
23 320306 CIRCLIP INTÉRIEUR Ø72x2,5 C70 DIN472 1
EN STOCK
24 320208 HUILE OBI 13 0
SUR COMMANDE
25 320228 CIRCLIP EXTÉRIEUR Ø35x1,5 C70 DIN471 1
SUR COMMANDE
27 320307 BRIDE DE GARNITURE MECANIQUE 1
EN STOCK
28 345058 ROULEMENT N°58 POUR MALXEUR 42098 1
EN STOCK
29 320311 STATOR POUR MALAXEUR 6 POLES 2,2KW 1
SUR COMMANDE
30 345057 ROULEMENT SUP. POUR MALXEUR OU POMPE 1
EN STOCK
31 322033 SUPPORT BORNIER ELECTRIQUE POMPE 102758 1
SUR COMMANDE
33 345056 JOINT O-RING POUR MALXEUR 4/4 N°63 1
EN STOCK
35 322034 BORNIER ELECTRIQUE POUR POMPE 102758 SANS ECROU 1
SUR COMMANDE
40 320234 COUVERCLE MOTEUR VERSION HORIZONTALE 1
SUR COMMANDE
41 555021 BOUCHON N°47 POUR PPE PTS5,5-100 1
SUR COMMANDE
42 320245 GARN P-E TBM PTS 2,2 3 4/80 - 1,5 2,2/6 - 2,2 3 4/4 1
EN STOCK
43 810845 GAINE DE CABLE D'ALIMENTATION POUR MALAXEUR 4 POLES 18,5KW 1
EN STOCK
44 810846 JOINT DE CABLE D'ALIMENTATION POUR MALAXEUR 4 POLES 18,5KW 1
EN STOCK
45 812062 ATTACHE DE CABLE POUR MALAXEUR 2,2 & 3KW 1
SUR COMMANDE