Renson & Cedrey : Cuve de stockage & solutions pour professionnels
Compte utilisateur
Icône de recherche
/
/
/
/
/
PPE DILA V X PDFT DN120 L3M
PPE VERT. DILACERATRICE INOX
Code 817145
PPE DILA V X PDFT DN120 L3M PPE DILA V X PDFT DN120 L3M
PPE DILA V X PDFT DN120 L3M PPE DILA V X PDFT DN120 L3M
Image avantage produit

A quoi ça sert ?
Pompe dilacératrice verticale en acier inoxydable, pour du transfert de lisier chargé, avec vanne de recylcage, sur prise de force tracteur.

Avantages :
Image avantage produit
Forte puissance : prise de force tracteur
Image avantage produit
Pas besoin de courant
Flèche pour valeur1
Flèche pour valeur2
Flèche pour valeur3
Flèche pour valeur4

PPE VERT. DILACERATRICE INOX

PDF DN120 3M PUIS. MAX 40KW
Réf. 817145

Connectez-vous pour connaître votre prix

Afficher le mot de passe
Mot de passe oublié ?
Vous n'avez pas de compte ?
Créez un compte distributeur

Tableau technique

Dimension A :
3 mm
Diamètre :
DN 120
Modèle :
LVT
Débit :
90 m3/h = HMT 23
360 m3/h = HMT 9
Type de roue :
Hacheuse
Taux de matière sèche max. :
9 %

Documents relatifs au produit

Icône document
Fiche technique
Format PDF
Icône document
Code EAN
Format WEB
Icône document
Courbe
Format JPG | 1.12 Mb
Icône document
Notice
Format PDF | 155.74 Kb
Icône document
Plan d'encombrement
Format JPG | 1.19 Mb

Avantages produits

Image avantage produit

A quoi ça sert ?
Pompe dilacératrice verticale en acier inoxydable, pour du transfert de lisier chargé, avec vanne de recylcage, sur prise de force tracteur.

Avantages :
Image avantage produit
Forte puissance : prise de force tracteur
Image avantage produit
Pas besoin de courant
Image avantage produit
Facilement transportable pour aller de fosse en fosse (option chariot)
Image avantage produit
Robuste : acier inoxydable
Image avantage produit
Recyclage du lisier dans la fosse grâce à la vanne orientable
Image avantage produit
Simple à installer

Description technique


Caractéristiques techniques :
- Structure de la pompe en acier inoxydable AISI304
- Corps de la pompe en fonte
- Transmission à bain d'huile avec garniture mécanique en Widia
- Pompe centrifuge à roue ouverte avec système de hachage

Performances :
- Vitesse de rotation de la prise de force : 540 tours / minute
- Vitesse de rotation de la pompe : 1 600 tours / minute

Débit 90 m3/h = HMT 23
Débit 360 m3/h = HMT 9

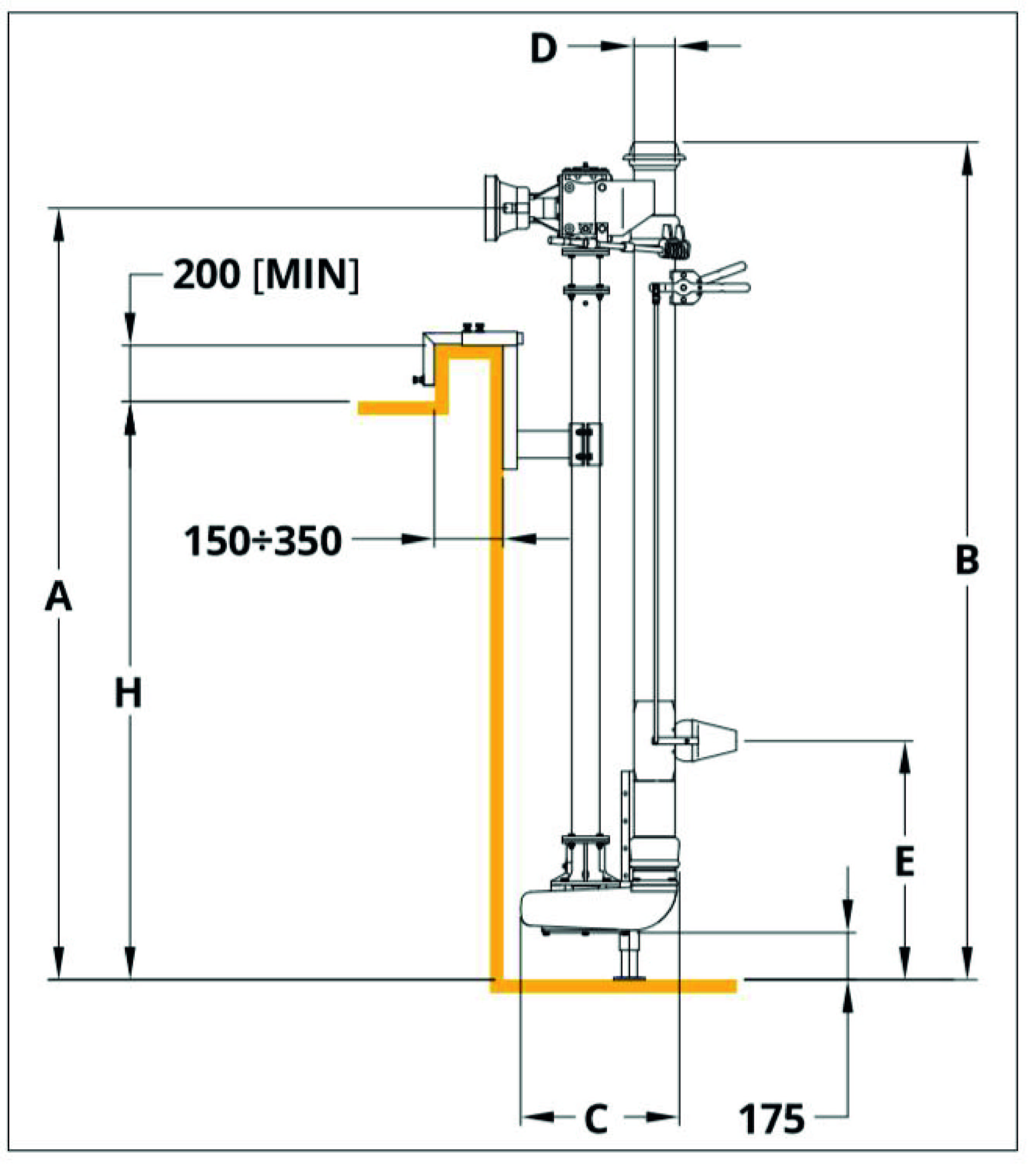
Côtes d'implantation :
A (axe du cardan par rapport au fond de la fosse) = 3m37
B (axe sortie du tuyau) = 3m61
C (diamètre hors tout de la pompe) = 52 cm
D (diamètre du refoulement) = 120 mm
E (hauteur de la vanne de recyclage par rapport au fond de la fosse) = 1m01
H (hauteur de fosse) = 2m30 à 2m80
L (distance entre l'axe du cardan et l'accroche tracteur) = 1m70
Entreprise Française
Entreprise Française
Plus de 100 ans d'expérience
Plus de 100 ans d'expérience
Spécialiste multi-fluides
Spécialiste multi-fluides
Un conseiller dédié
Un conseiller dédié
Livraison rapide
Livraison rapide