| TABLEAU TECHNIQUE | |||
| Liquide : | Eau haute pression | Type : | Automatique |
| Matière : | Acier peint | Support : | Fixe |
| Pression max : | 600 bar | Température de travail : | - 40°C à + 150°C |
| Capacité : | 15m max en flexible 1/2'' | Raccord d'entrée : | 1/2'' M |
| Raccord de sortie : | 1/2'' F | Poids : | 12 Kg |
| Dimension A : | 120 mm | Dimension B : | 560 mm |
| Dimension C : | 450 mm | Dimension D : | 180 mm |
| Dimension E : | 140 mm | Dimension F : | 204 mm |
| Dimension G : | 232 mm | ||
| TABLEAU TECHNIQUE | |
| Liquide : | Eau haute pression |
| Type : | Automatique |
| Matière : | Acier peint |
| Support : | Fixe |
| Pression max : | 600 bar |
| Température de travail : | - 40°C à + 150°C |
| Capacité : | 15m max en flexible 1/2'' |
| Raccord d'entrée : | 1/2'' M |
| Raccord de sortie : | 1/2'' F |
| Poids : | 12 Kg |
| Dimension A : | 120 mm |
| Dimension B : | 560 mm |
| Dimension C : | 450 mm |
| Dimension D : | 180 mm |
| Dimension E : | 140 mm |
| Dimension F : | 204 mm |
| Dimension G : | 232 mm |
EN SAVOIR DAVANTAGE
Description technique :
- Système d’arrêt automatique : permet de bloquer le flexible à la dimension désiréeInformations complémentaires :
Structure et tambour en acier peint. L’acier peint résistant à la corrosion permet une utilisation professionnelle sous abri ou en extérieur.
ACCESSOIRES CONSEILLÉS
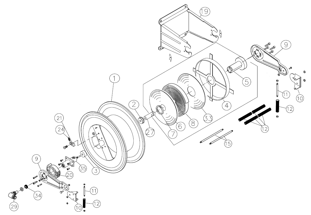
VUES ÉCLATÉES
| REPERE | CODE | DESIGNATION | QTE / MACHINE |
DISPONIBILITE |
| 01 | 812380 | TAMBOUR POUR ENROULEUR 975106 - 975107 | 1 | SUR COMMANDE |
| 03 | 812365 | TAMPON 26x34 POUR ENROULEURS | 1 | SUR COMMANDE |
| 04 | 812379 | SUPPORT RESSORT POUR ENROULEUR 975106 - 975107 | 1 | SUR COMMANDE |
| 05 | 812364 | MOYEN D'ENROULEMENT POUR ENROULEURS | 1 | SUR COMMANDE |
| 06 | 812383 | BRAS GAUCHE POUR ENROULEUR 975106 - 975107 | 1 | SUR COMMANDE |
| 07 | 812349 | CIRCLIPS POUR ENROULEURS | 1 | SUR COMMANDE |
| 08 | 812378 | RESSORT D'ENROULEMENT POUR ENROULEUR 975106 | 1 | SUR COMMANDE |
| 09 | 812391 | BRAS POUR ENROULEURS | 1 | SUR COMMANDE |
| 10 | 164386 | ETRIER POUR ENROULEURS | 1 | SUR COMMANDE |
| 11 | 164387 | TIRANT POUR ENROULEURS | 1 | SUR COMMANDE |
| 12 | 812408 | ROULEAU POUR ENROULEUR 975106 | 1 | SUR COMMANDE |
| 15 | 164389 | TIRANT POUR ENROULEURS | 1 | SUR COMMANDE |
| 19 | 812390 | SUPPORT POUR ENROULEURS | 1 | SUR COMMANDE |
| 20 | 812381 | CLIQUET POUR ENROULEURS | 1 | SUR COMMANDE |
| 21 | 812362 | LOQUET D'ARRET POUR ENROULEURS | 1 | SUR COMMANDE |
| 24 | 518990 | RESSORT CLIQUET POUR ENROULEURS | 1 | SUR COMMANDE |
| 27 | 812350 | CLIQUET POUR ENROULEURS | 1 | SUR COMMANDE |
| 29 | 164504 | RACCORD TOURNANT POUR ENROULEUR 975106-975107 | 1 | EN STOCK |
| 33 | 812384 | BRAS DROIT POUR ENROULEUR 975106 - 975107 | 1 | SUR COMMANDE |
| 34 | 812418 | JOINT POUR ENROULEUR 975106 | 1 | SUR COMMANDE |
| 35 | 812359 | BROCHE DE CONNECTION 1'' POUR ENROULEUR 975106-975107 | 1 | SUR COMMANDE |