Durabilité : La construction robuste de la pompe assure une durée de vie prolongée.
Polyvalence d?application : La pompe peut être utilisée dans une variété d'applications.
Robuste : Cette pompe est construite avec des matériaux de qualité supérieure, ce qui la rend résistante à l'usure, aux chocs et à la corrosion.Veuillez vous connecter
pour voir le stock et votre tarif personnalisé
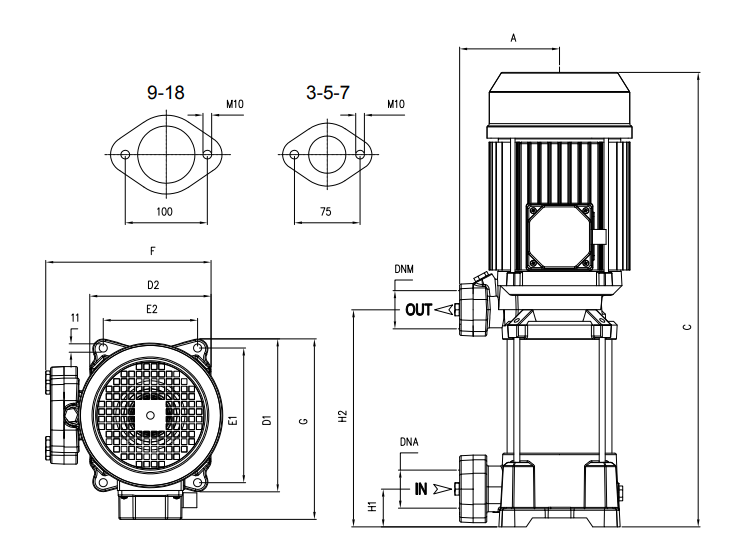
| TABLEAU TECHNIQUE | |||
| Débit max : | 400 L/min | HMT max : | 106,40 mètres |
| Pression max : | 10 bar | Modèle : | ULTRASV |
| DNA : | 2" G | DNR : | 1" 1/2G |
| Tension : | 400 V | Puissance : | 7,50 kW |
| Ampérage : | 12,90 A | Poids : | 60,50 kg |
| Dimension A : | 135 mm | Dimension C : | 852 mm |
| Dimension F : | 255 mm | Dimension H1 : | 50 mm |
| Dimension H2 : | 439 mm | ||
| TABLEAU TECHNIQUE | |
| Débit max : | 400 L/min |
| HMT max : | 106,40 mètres |
| Pression max : | 10 bar |
| Modèle : | ULTRASV |
| DNA : | 2" G |
| DNR : | 1" 1/2G |
| Tension : | 400 V |
| Puissance : | 7,50 kW |
| Ampérage : | 12,90 A |
| Poids : | 60,50 kg |
| Dimension A : | 135 mm |
| Dimension C : | 852 mm |
| Dimension F : | 255 mm |
| Dimension H1 : | 50 mm |
| Dimension H2 : | 439 mm |
EN SAVOIR DAVANTAGE
Description technique :
A quoi ça sert ?Informations complémentaires :
Construction :







Nous faisons face à une pénurie mondiale sur les moteurs HONDA. Afin de pouvoir répondre à votre besoin, nous vous proposons un nettoyeur équivalent (qualité et performance).
Ce nettoyeur est équipé d’un moteur de grande qualité reconnue sur le marché et avec lequel nous travaillons déjà depuis plusieurs années.
Les équipements livrés avec ce nettoyeur restent bien évidemment identiques à ceux du modèle HONDA. Ce nouveau nettoyeur bénéficie d’un tarif plus avantageux.