 
            
                    POMPE DE RELEVAGE TRI FONTE                
                
                    Code 109450                
             
                     
                     
        
        
                A quoi ça sert ?
Relever des eaux chargées dans des applications agricoles (lisier de bovins, eaux vertes / brunes, …)
Application : Elevage (élevages bovins)
Avantages :
                                Supporte une eau chargée de particules solides
                            
                            
                        
                                Fonctionnement optimal : trepied déjà monté qui facilite l'aspiration
                            
                            
                        POMPE DE RELEVAGE TRI FONTE
    ROUE VORTEX 2,2KW DN65
    Réf. 109450
    
                Identifiants incorrects
                
                    
                
            
            
            Connectez-vous pour connaître votre prix
                    Vous n'avez pas de compte ?
                
                
                    Créez un compte distributeur
                
            Accessoires conseillés
Sélectionnez un ou plusieurs accessoires pour les ajouter à votre panier
        Tableau technique
        Ampérage :
    
    
        6,50 A
    
    
        Puissance :
    
    
        2,20 kW
    
    
        Tour/min :
    
    
        2 900 
    
    
        Tension :
    
    
        380 V
    
    
        DNR :
    
    
        65 
    
    
        Modèle :
    
    
        JST22 R-SV 
    
    
        Granulométrie maximale :
    
    
        50 mm
    
    
        Type de liquide :
    
    
        Eaux vertes / brunes 
    
    
        Intensité d'utilisation :
    
    
        intensif 
    
    
        Application :
    
    
        Elevage / Industrie 
    
    
        Hauteur :
    
    
        518 mm
    
    
        Largeur :
    
    
        270 mm
    
    
        Longueur :
    
    
        346 mm
    
    
        Poids :
    
    
        45 kg
    
    
        Débit max  :
    
    
        900 l/min
    
    
        HMT max :
    
    
        15 mètres
    
        Documents relatifs au produit
Avantages produits
A quoi ça sert ?
Relever des eaux chargées dans des applications agricoles (lisier de bovins, eaux vertes / brunes, …)
Application : Elevage (élevages bovins)
Avantages :
                                        Supporte une eau chargée de particules solides
                                    
                                
                                        Fonctionnement optimal : trepied déjà monté qui facilite l'aspiration
                                    
                                
                                        Moteur protégé
Utilisation :
> Eaux chargées de particules solides
> Usage intensif
> Doit travailler en immersion complète dans le liquide pompé (qui assure de l'extérieur le refroidissement du moteur)
> Utilisation en élevage bovin
> Densité de liquide maximum : 7% de matières sèches
> Sphère de passage : 50 mm
> Tolérance en particule : 50 mm
> Durée de vie des roulements : 50 000 heures
> DN Aspiration : 80 mm
> DN Refoulement : 2" 1/2
                                Utilisation :
> Eaux chargées de particules solides
> Usage intensif
> Doit travailler en immersion complète dans le liquide pompé (qui assure de l'extérieur le refroidissement du moteur)
> Utilisation en élevage bovin
> Densité de liquide maximum : 7% de matières sèches
> Sphère de passage : 50 mm
> Tolérance en particule : 50 mm
> Durée de vie des roulements : 50 000 heures
> DN Aspiration : 80 mm
> DN Refoulement : 2" 1/2
                                        DN65
> Hauteur de refoulement maximale : 15 mètres
> Profondeur d'immersion max : 10 mètres
                                > Hauteur de refoulement maximale : 15 mètres
> Profondeur d'immersion max : 10 mètres
Description technique
Caractéristiques techniques :
Construction
Corps de pompe, carcasse moteur et turbine vortex en fonte FT20D
Arbre en acier inoxydable
Paliers à roulements 6305 en bas et 6204 en haut, lubrification par bain d'huile
Garniture mécanique simple : grains en carbure de silicium, porte grains en acier inoxydable, lubrification par capacité d'huile interne
DN Aspiration : 80 mm
DN Refoulement : 65 mm
Raccordement taraudé : 2" 1/2F
Epaisseur de la peinture : 200 microns
Livré avec câble d'alimentation
Moteur
Triphasé pour service continu, bobinage 380V - 2 pôles 50 Hz - 3 CV - 2,2 kW
Submersible
Asynchrone
Vitesse de rotation : 2 900 tours / minute
Sondes thermiques
Isolation classe F
Plage de fonctionnement
Pour HMT 15 mètres = débit de 0 m3/h ; 0 l/min
Pour HMT 3 mètres = débit de 54 m3/h ; 900 l/min
Consulter la courbe pour plus d'informations
Livré sans raccord
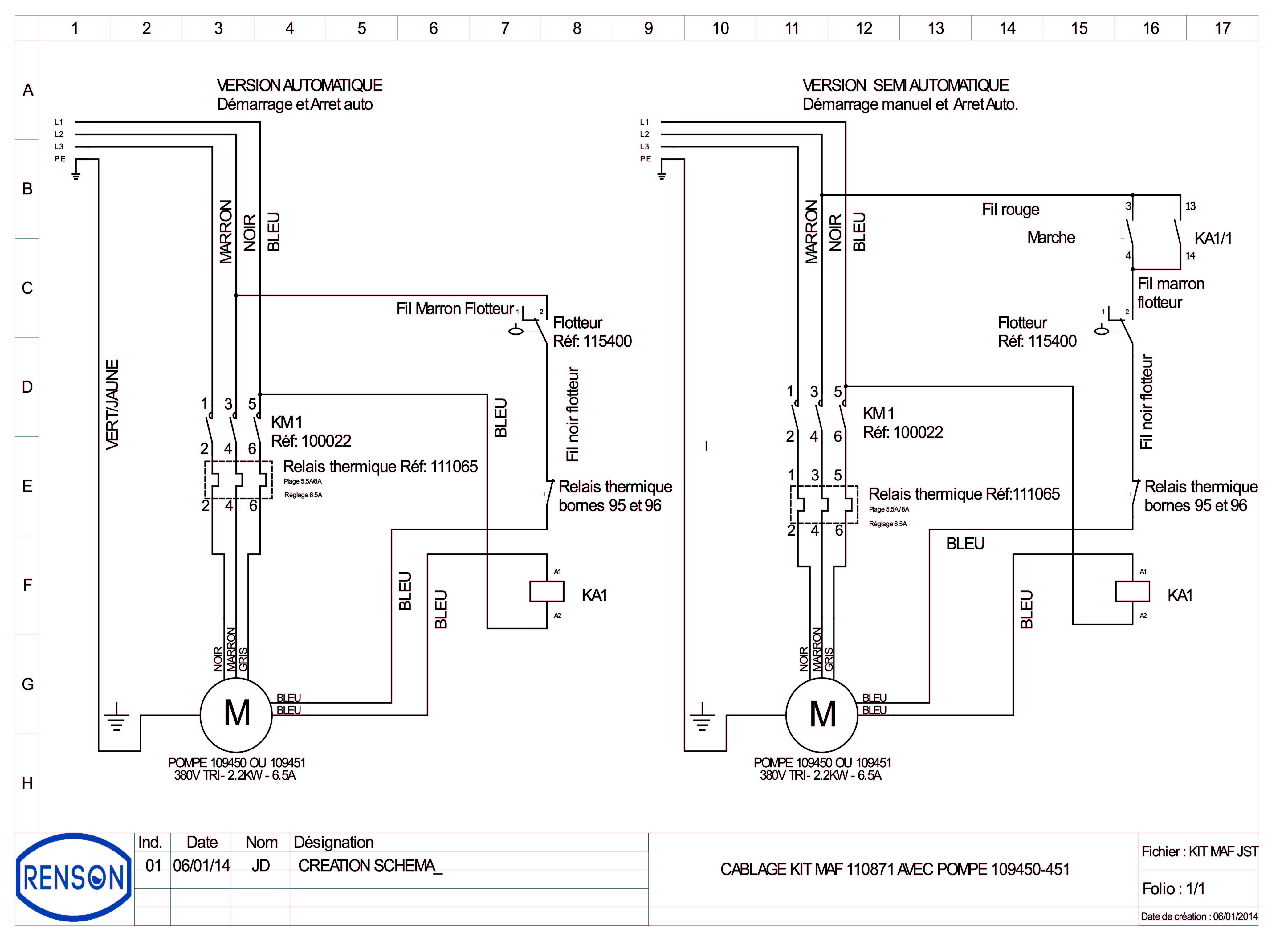
Nous vous conseillons de prévoir une protection thermique et/ou manque d’eau pour cette pompe
ACCESSOIRES CONSEILLES :
483159 COLLIER DE SERRAGE TOURILLON W1 ACIER ZINGUE Ø 98 - 103 x 4
107107 5 METRES DE TUYAU SPIRALEX DIAMETRE 90MM
110274 COUDE 90° COMPRESSION PP N°16925 MALE 3’’ Ø 90
100262 1/2 RACCORD FILETÉ M ALU DN80 3’’
100229 1/2 RACCORD CANNELÉ VERROU ALU DN80 x 2
100256 1/2 RACCORD FEMELLE ALU DN80 3''
101047 BOBINE GALVA N°530 MM 3’’ LONGUEUR 300mm
110112 MAMELON REDUIT GALVA N°245 MM 3'' x 2''1/2
101431 MANCHON GALVA N°270 FF 2''1/2
817194 CLAPET BOULE TARAUDÉ 3'' FONTE JOINT NBR PRESSION MAX 10 BAR
110871 KIT DE COMMANDE MARCHE/ARRÊT POUR POMPES DE 5,5 À 8A
817018 KIT ACCESSOIRES
Vues éclatées
                                Repère
                            
                            
                                Code
                            
                            
                                Stock
                            
                            
                                Libellé
                            
                            
                        
                                                    
                            
                                01                            
                            
                            
                            
                            
                                    En stock                                
                            
                                CABLE ALIMENTATION 10M POUR POMPE 109450-109451                            
                            
                                                                                
                            
                                02                            
                            
                            
                            
                            
                                    En stock                                
                            
                                ECROU LAITON DU PRESSE-ETOUPE  POUR POMPE 109450-51                            
                            
                                                                                
                            
                                03                            
                            
                            
                            
                            
                                    En stock                                
                            
                                BAGUE LAITON DU PRESSE-ETOUPE POUR POMPE 109450-51                            
                            
                                                                                
                            
                                09                            
                            
                            
                            
                            
                                    En stock                                
                            
                                JOINT 135x3,1 POUR POMPE 109450-51                            
                            
                                                                                
                            
                                12                            
                            
                            
                            
                            
                                    En stock                                
                            
                                ROULEMENT 204 POUR POMPE 109450-51                            
                            
                                                                                
                            
                                14                            
                            
                            
                            
                            
                                    En stock                                
                            
                                BAGUE DE RETENUE POUR POMPE 109450-51                            
                            
                                                                                
                            
                                15                            
                            
                            
                            
                            
                                    En stock                                
                            
                                ROULEMENT 305 POUR POMPE 109450-51                            
                            
                                                                                
                            
                                22                            
                            
                            
                            
                            
                                    En rupture                                
                            
                                STATOR AVEC CARCASSE MOTEUR POUR POMPE DE RELEVAGE 2,2KW                            
                            
                                                                                
                            
                                24                            
                            
                            
                            
                            
                                    En stock                                
                            
                                PALIER POUR ROTOR POUR POMPE 109450                            
                            
                                                                                
                            
                                26                            
                            
                            
                            
                            
                                    En stock                                
                            
                                JOINT 160x3,1 POUR POMPE 109450-51                            
                            
                                                                                
                            
                                27                            
                            
                            
                            
                            
                                    En stock                                
                            
                                GARNITURE MECANIQUE DE PPE 109450-109451                            
                            
                                                                                
                            
                                28                            
                            
                            
                            
                            
                                    En stock                                
                            
                                JOINT V-RING DE TURBINE POUR POMPE 109450-51                            
                            
                                                                                
                            
                                29                            
                            
                            
                            
                            
                                    En stock                                
                            
                                CORPS DE POMPE POUR POMPE 109450-51                            
                            
                                                                                
                            
                                31                            
                            
                            
                            
                            
                                    En rupture                                
                            
                                TURBINE VORTEX POUR POMPE 109450                            
                            
                                                                                
                            
                                35                            
                            
                            
                            
                            
                                    Ce produit n'est plus disponible                                
                            
                                PIED POUR POMPE 109450-51                             
                            
                                                                                
                            
                                36                            
                            
                            
                            
                            
                                    En rupture                                
                            
                                VIS DE PURGE DU MOTEUR POUR POMPE 109450-51                            
                            
                                                                                
                            
                                37                            
                            
                            
                            
                            
                                    En stock                                
                            
                                JOINT 8x1,9 POUR POMPE 109450-51                            
                            
                                                                        
                                    
                                        01                                    
                                    
                                        En stock                                    
                                
                                
                                
                                    
                                        164786                                    
                                    
                                
                                                            
                                        CABLE ALIMENTATION 10M POUR POMPE 109450-109451                                    
                                
                                    
                                        02                                    
                                    
                                        En stock                                    
                                
                                
                                
                                    
                                        168503                                    
                                    
                                
                                                            
                                        ECROU LAITON DU PRESSE-ETOUPE  POUR POMPE 109450-51                                    
                                
                                    
                                        03                                    
                                    
                                        En stock                                    
                                
                                
                                
                                    
                                        164787                                    
                                    
                                
                                                            
                                        BAGUE LAITON DU PRESSE-ETOUPE POUR POMPE 109450-51                                    
                                
                                    
                                        09                                    
                                    
                                        En stock                                    
                                
                                
                                
                                    
                                        164788                                    
                                    
                                
                                                            
                                        JOINT 135x3,1 POUR POMPE 109450-51                                    
                                
                                    
                                        12                                    
                                    
                                        En stock                                    
                                
                                
                                
                                    
                                        168663                                    
                                    
                                
                                                            
                                        ROULEMENT 204 POUR POMPE 109450-51                                    
                                
                                    
                                        14                                    
                                    
                                        En stock                                    
                                
                                
                                
                                    
                                        164999                                    
                                    
                                
                                                            
                                        BAGUE DE RETENUE POUR POMPE 109450-51                                    
                                
                                    
                                        15                                    
                                    
                                        En stock                                    
                                
                                
                                
                                    
                                        168664                                    
                                    
                                
                                                            
                                        ROULEMENT 305 POUR POMPE 109450-51                                    
                                
                                    
                                        22                                    
                                    
                                        En rupture                                    
                                
                                
                                
                                    
                                        812038                                    
                                    
                                
                                                            
                                        STATOR AVEC CARCASSE MOTEUR POUR POMPE DE RELEVAGE 2,2KW                                    
                                
                                    
                                        24                                    
                                    
                                        En stock                                    
                                
                                
                                
                                    
                                        815519                                    
                                    
                                
                                                            
                                        PALIER POUR ROTOR POUR POMPE 109450                                    
                                
                                    
                                        26                                    
                                    
                                        En stock                                    
                                
                                
                                
                                    
                                        164789                                    
                                    
                                
                                                            
                                        JOINT 160x3,1 POUR POMPE 109450-51                                    
                                
                                    
                                        27                                    
                                    
                                        En stock                                    
                                
                                
                                
                                    
                                        323013                                    
                                    
                                
                                                            
                                        GARNITURE MECANIQUE DE PPE 109450-109451                                    
                                
                                    
                                        28                                    
                                    
                                        En stock                                    
                                
                                
                                
                                    
                                        168000                                    
                                    
                                
                                                            
                                        JOINT V-RING DE TURBINE POUR POMPE 109450-51                                    
                                
                                    
                                        29                                    
                                    
                                        En stock                                    
                                
                                
                                
                                    
                                        168784                                    
                                    
                                
                                                            
                                        CORPS DE POMPE POUR POMPE 109450-51                                    
                                
                                    
                                        31                                    
                                    
                                        En rupture                                    
                                
                                
                                
                                    
                                        164502                                    
                                    
                                
                                                            
                                        TURBINE VORTEX POUR POMPE 109450                                    
                                
                                    
                                        35                                    
                                    
                                        Ce produit n'est plus disponible                                    
                                
                                
                                
                                    
                                        168785                                    
                                    
                                
                                                            
                                        PIED POUR POMPE 109450-51                                     
                                
                                    
                                        36                                    
                                    
                                        En rupture                                    
                                
                                
                                
                                    
                                        164790                                    
                                    
                                
                                                            
                                        VIS DE PURGE DU MOTEUR POUR POMPE 109450-51                                    
                                
                                    
                                        37                                    
                                    
                                        En stock                                    
                                
                                
                                
                                    
                                        164791                                    
                                    
                                
                                                            
                                        JOINT 8x1,9 POUR POMPE 109450-51                                    
                                 
             
                                 
                                 
                                 
                                 
                                 
                                 
                                 
                                 
                                 
                     
                     
                     
                         
     
     
     
    